
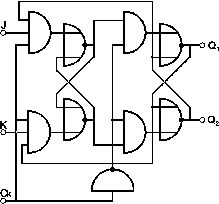
Das ist nun eine wirklich geniale Idee: Die Ausgänge des Master-Slave-Flipflops werden (über Kreuz) auf die Eingänge rückgekoppelt.
Diese benötigen jetzt daher Dreifach-UND-Gatter.
Wozu das gut ist? Das muss man ausprobieren!
- Dabei J=K=1 nicht auslassen -