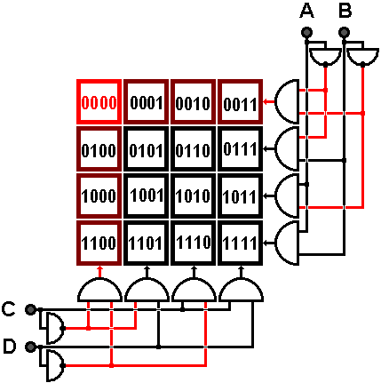
Mauszeiger auf einen der Adress-Eingänge A, B, C oder D
oder in das gewünschte Speicherfeld richten und Links-Klick
genug gespielt